有 接点 回路

リレーシーケンスのnand回路について シーケンス制御入門 ある電機屋のメモ帳

电气二次回路基础知识 图文 百度文库

ヤフオク 図解シーケンス制御回路 有接点とpcによる
有 接点 回路 のギャラリー

小学生もやってるシーケンス回路設計の方法 シーケンス制御入門 ある電機屋のメモ帳

电压并列回路和电压切换回路原理 电子发烧友网

制御盤 無電圧接点と有電圧接点との違いは エネ管 Com

安全继电器怎么使用
.jpg)
一起特殊的35kv开关控制回路断线分析 中国期刊网

リレーシーケンスの一致回路について シーケンス制御入門 ある電機屋のメモ帳

热电偶与热电阻的区别在哪里 广州斯清泰自动化设备有限公司

典型电气二次回路识图下载 Word模板 爱问共享资料

45回路电箱接线图 第1页 一起扣扣网

变电站二次回路图05 10kv线路信号回路 知乎
.png)
一起2kv线路gis开关传动问题引发的思考 中国期刊网

Plc控制回路看不懂 技巧都在这里 知乎

无源触点 有源触点 干接点 电工必懂知识点 每日头条

無電圧接点と有電圧接点の違いは 図や回路図で使い方を簡単に説明 電気エンジニアのツボ

万变不离其中电气回路的通与不通

资料 操作箱防跳 开关防跳区别详解 看图即懂哦
取扱要領 磁気近接形 有接点

交流接触器电气控制电路中自锁与互锁原理 自动控制网
防跳继电器误动作原因分析 看点快报

大阪府 講座案内 E 02
悟空问答 一个启动按钮 一个停止按钮 控制三相电机 怎么接线 电气小行家的回答 127赞
断路器位置 双位 和 控制回路断线 看点快报

1995 号 インターフェース回路 Astamuse

初心者でも理解 電気屋が教える有接点リレーの基本 自己保持回路 電気エンジニアのツボ

無電圧接点出力 ドライ接点出力 有電圧接点出力 電気の基礎 電気の基礎 電気の知識から電験3種まで 誰でも理解できるエレクトロニクス

アスクル オムロン Omron リレー回路ユニット 有接点アナンシェータ Mya La12 Dc100 110 1個 直送品 通販 Askul 公式

交流接触器的作用低压接触器的作用
变电二次回路基础

接触器式继电器和接触器区别继电器和接触器有什么区别 朵拉利品网

断路器控制回路 详述一篇文章解决所有问题 每日头条

双路电源切换方案
防跳回路专题 3 与防跳回路配合不当的几点措施 101电力课堂 微信公众号文章阅读 Wemp

资料 操作箱防跳 开关防跳区别详解 看图即懂哦

防跳回路的作用 防跳回路接线图解 电工技术 电工之家

数字输入输出的基础知识与术语解说 Contec 康泰克
你真的会检查电梯的安全回路吗

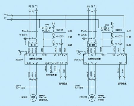
变频器主回路和控制电路接线方法变频器主电路的接线流程 快资讯

头条文章

Q Tbn 3aand9gcrh1d62cg7zxrdbcwytau8m0yih95br8h3dfg Usqp Cau

发电厂主变高压侧出线隔离开关辅助回路优化 参考网

ドライ接点 Dry接点 無電圧接点 乾接点 とウェット接点 Wet接点 有電圧接点 社会人の為の電力 強電の設計室

仪表人干货 有源和无源信号到底有什么区别 输出

大阪府 ロボテックオートメーション科 旧産業ロボットシステム科

正版新码王成都科护卫多功能进水防触电保护器设备 6574 Com六合骑士论坛 香港马会开奖资料 8118a广聚淘圆 17白小姐祺袍b 神码堂 Mm6666 Com Www Com

安科瑞artu遥信单元多回路开关控制装置 电子发烧友网

ラダー図のタイマー回路について こんばんは 会社命令で電気の学校 その他 教育 科学 学問 教えて Goo
Plc Dcs系统控制柜的安装接线如何实现快速有效 微信公众号 工控客 工业自动化综合平台

电气二次图的读图方法

基本二次回路

什么是接触器 接触器的特点 接触器的作用 电工之家手机版

变电站二次回路图05 10kv线路信号回路 知乎

重合闸都是怎么跳的 每日头条

オムロン Mya Na2 Ac100 110 リレー回路ユニット アラーム接点a 新品 送料無料 有接点アナンシェータ 補助接点有 ノンロック

交直流回路缺点要素剖析及处理实例 维修电工

新潟職業能力開発促進センター ポリテクセンター新潟

电接点压力表限制和自动回路工作 江苏汉威自控设备有限公司

高压变频器的主要应用领域有哪些 电传知识 智造百科 电气传动网手机版

66tks型接插件式热电偶温度传感器 Inor 启栅 上海 自动化设备有限公司

図解 シーケンス制御回路 有接点とpcによる 佐藤 一郎 本 通販 Amazon

Wlsd2 Rp60 N 2回路限位开关标准采用交叉式结构 使用有高可靠性的包金接点欧姆龙wlsd2 Rp60 N 广州凌控手机站

详细介绍热电偶的工作原理及冷端补偿方法

無接点回路で 長期繰返し使用にも安定動作 メカストッパとしてある程度の荷重に耐える堅牢ボディタイプ アサ電子工業 Stb30 B G ストッパスイッチ 動作 On Off スリーブ有 Ad

发电厂主变高压侧出线隔离开关辅助回路优化 参考网
轻松看懂控制回路

自己保持回路 有接点リレー回路 シーケンス制御 を理解するための登竜門 Youtube

ヤフオク 図解シーケンス制御回路 有接点とpcによる

図と写真で理解 自己保持回路の配線方法 ある電機屋のメモ帳

自己保持回路のタイムチャート 今 有接点リレーについて勉強している 工学 教えて Goo

变频器控制回路布线8大禁区 看看你中招了没 变频器 工控课堂 Www Gkket Com

交流接触器控制图 第1页 一起扣扣网

沟通窜入直流回路缺陷要素剖析 维修电工

第三章线性电路分析方法简单电路 仅有一个独立节点或一个回路 复杂电路 含有多个节点或回路 Ppt Download

变电站二次回路图05 10kv线路信号回路 知乎

操作回路基本知识 二 电气分享blog

キット付シーケンス制御基礎とトラブル対応術が身につく入門教材とは

软启动控制柜 南京康卓
取扱要領 磁気近接形 有接点

轻松看懂控制回路 最简单的断路器控制回路原理图一看就懂机电专业精选资料 100唯尔职业教育智慧实训云平台

Dvp Plc实例下载 在线阅读 爱问共享资料
经典图文教程 手把手教你二次布线工艺 文章 工控客 工业自动化综合平台
Dtmf 电话

交流接触器控制图 第1页 一起扣扣网

Jyjxc X135 2型有极加强接点继电器产品技术参数 接线图 工作原理 产品价格 产品特点 有极加强接点 继电器厂家 上海约瑟电器有限公司 专业从事电力系统二次回路继电保护及电力自动化综合控制产品的公司

Jyjxc X135 2型有极加强接点继电器产品技术参数 接线图 工作原理 产品价格 产品特点 有极加强接点 继电器厂家 上海约瑟电器有限公司 专业从事电力系统二次回路继电保护及电力自动化综合控制产品的公司
防跳回路专题 3 与防跳回路配合不当的几点措施 101电力课堂 微信公众号文章阅读 Wemp

单速风机控制箱二次回路布线有哪些要求 千亚小编告诉你

罗克韦尔 接触器和继电器有分别吗 电子头条 Eeworld电子工程世界

断路器接线错误引起合闸过程中操作和测控电源空气开关同时跳闸 技术社区 工业品资讯与技术互动社区 传奇商城

日立电梯安全回路及厅轿门短接点 默者

Mya La12欧姆龙mya La12分类 附带故障恢复后再复位确认回路 欧姆龙

リレーシーケンスの順序回路について シーケンス制御入門 ある電機屋のメモ帳

变电站二次回路图04 10kv控制回路 知乎

Jyjxc X135 2型有极加强接点继电器产品技术参数 接线图 工作原理 产品价格 产品特点 有极加强接点 继电器厂家 上海约瑟电器有限公司 专业从事电力系统二次回路继电保护及电力自动化综合控制产品的公司

变电站二次回路图04 10kv控制回路 知乎

有接点シーケンス制御による電動機制御の実務 能力開発セミナー 新潟職業能力開発短期大学校 ポリテクカレッジ新潟

1分钟全面解析二次回路 原理图 展开图 接线图剖析

安邦信amb G9控制回路端子的功能有哪些 电工基础知识